Product Summary
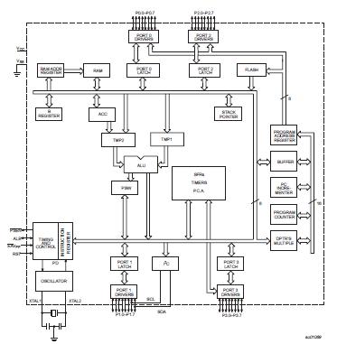
The P89C668HBA is an 8-bit Flash microcontroller which contains a non-volatile 64 kbytes Flashprogram memory that is both parallel programmable and serial In-System Programmable. In-System Programming allows devicesto alter their own program memory, in the actual end product, undersoftware control. This opens up a range of applications that caninclude the ability to field update the application firmware. A default serial loader (boot loader) program in ROM allows serialIn-System programming of the Flash memory without the need for aloader in the Flash code. User programs may erase and reprogramthe Flash memory at will through the use of standard routinescontained in ROM.This device is a Single-Chip 8-Bit Microcontroller manufactured inadvanced CMOS process and is a derivative of the 80C51 microcontroller family. The device has the same instruction set asthe 80C51.The device also has four 8-bit I/O ports, three 16-bit timer/eventcounters, a multi-source, four-priority-level, nested interrupt structure,an enhanced UART and on-chip oscillator and timing circuits.The added features of the P89C668HBA makes it a powerful microcontrollerfor applications that require pulse width modulation, high-speed I/O andup/down counting capabilities such as motor control.
Parametrics
P89C668HBA absolute maximum ratings: (1)Operating temperature under bias: 0 to +70 or –40 to +85℃; (2)Storage temperature range: –65 to +150℃; (3)Voltage on EA/VPP pin to VSS: 0 to +13.0 V; (4)Voltage on any other pin to VSS: –0.5 to +6.5 V; (5)Maximum IOL per I/O pin: 15 mA; (6)Power dissipation: 1.5 W.
Features
P89C668HBA features: (1)80C51 Central Processing Unit; (2)On-chip Flash Program Memory with In-System Programming (ISP) capability; (3)Boot ROM contains low level Flash programming routines for downloading via the UART; (4)Parallel programmed with 87C51 compatible hardware interface to RAM expandable externally to 64 kbytes; (5)4 level priority interrupt; (6)8 interrupt sources; (7)Four 8-bit I/O ports; (8)Full-duplex enhanced UARTprogrammer; (9)Programmable clock out; (10)Second DPTR register; (11)Asynchronous port reset; (12)Low EMI (inhibit ALE); (13)I2C serial interface.
Diagrams

| Image | Part No | Mfg | Description | ![]() |
Pricing (USD) |
Quantity | ||||
|---|---|---|---|---|---|---|---|---|---|---|
![]() |
![]() P89C668HBA |
![]() NXP Semiconductors |
![]() 8-bit Microcontrollers (MCU) 80C51 64K FL / 8K RM |
![]() Data Sheet |
![]() Negotiable |
|
||||
![]() |
![]() P89C668HBA/00,512 |
![]() |
![]() IC 80C51 MCU FLASH 64K 44-PLCC |
![]() Data Sheet |
![]() Negotiable |
|
||||
(China (Mainland))










