Product Summary
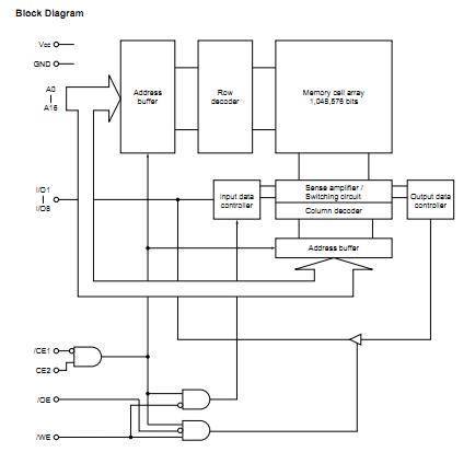
The D431000AGW-70LL is a high speed, low power, and 1,048,576 bits (131,072 words by 8 bits) CMOS static RAM. The D431000AGW-70LL has two chip enable pins (/CE1, CE2) to extend the capacity. And battery backup is available. In addition to this, A and B versions are low voltage operations. The D431000AGW-70LL is packed in 32-pin PLASTIC DIP, 32-pin PLASTIC SOP and 32-pin PLASTIC TSOP (I) (8 × 13.4mm) and (8 × 20 mm).
Parametrics
D431000AGW-70LL absolute maximum ratings: (1)Supply voltage, VCC: –0.5 to +7.0 V; (2)Input / Output voltage, VT: –0.5 to VCC + 0.5 V; (3)Operating ambient temperature, TA: 0 to 70℃; (4)Storage temperature, Tstg: –55 to +125℃.
Features
D431000AGW-70LL features: (1)131,072 words by 8 bits organization; (2)Fast access time: 70, 85, 100, 120, 150 ns (MAX.); (3)Low voltage operation (A version: VCC = 3.0 to 5.5 V, B version: VCC = 2.7 to 5.5 V); (4)Operating ambient temperature: TA = 0 to 70℃; (5)Low VCC data retention: 2.0 V (MIN.); (6)Output Enable input for easy application; (7)Two Chip Enable inputs: /CE1, CE2.
Diagrams

![]() |
![]() D431K20X5FL6UX5RX1 |
![]() |
![]() CAP CER 430PF 500V 10% RADIAL |
![]() Data Sheet |
![]()
|
|
||||||
![]() |
![]() D431K20X5FL6TX5RX1 |
![]() |
![]() CAP CER 430PF 500V 10% RADIAL |
![]() Data Sheet |
![]()
|
|
||||||
(China (Mainland))








