Product Summary
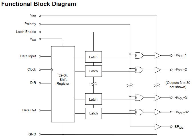
The HV6506PJ is a low-voltage serial to high-voltage parallel converter with push-pull outputs. This device has been designed for use as a driver circuit for LCD displays. The HV6506PJ can also be used in any application requiring multiple output high-voltage current sourcing and sinking capabilities. The inputs are fully CMOS compatible. The HV6506PJ consists of a 32-bit shift register, 32 latches, and control logic to perform the polarity select of the outputs. HVout1 is connected to the first stage of the shift register through the polarity logic. Data is shifted through the shift register on the logic low to high transition of the clock. A DIR pin causes data shifting counterclockwise when grounded and clockwise when connected to VDD.
Parametrics
HV6506PJ absolute maximum ratings: (1)Supply voltage, VDD: -0.5V to +7.0V; (2)Output voltage, VPP: -0.5V to +80V; (3)Logic input levels: -0.5V to VDD + 0.5V; (4)Ground current: 1.5A; (5)Continuous total power dissipation: 1200mW; (6)Operating temperature range: -40 to +85℃; (7)Storage temperature range: -65 to +125℃; (8)Lead temperature 1.6mm (1/16 inch) from case for 10 seconds: 260℃.
Features
HV6506PJ features: (1)Processed with HVCMOS? technology; (2)32 push-pull CMOS output up to 60V; (3)Low power level shifting; (4)Source/sink current minimum 5mA; (5)Shift register speed 5MHz; (6)Latched data outputs; (7)Bidirectional shift register (DIR); (8)Backplane output.
Diagrams

![]() |
![]() HV6506 |
![]() Other |
![]() |
![]() Data Sheet |
![]() Negotiable |
|
||||
(China (Mainland))








