Product Summary
The PS21869-AP is a 600V/50A CSTBT inverter bridge for three phase DC-to-AC power conversion.
Parametrics
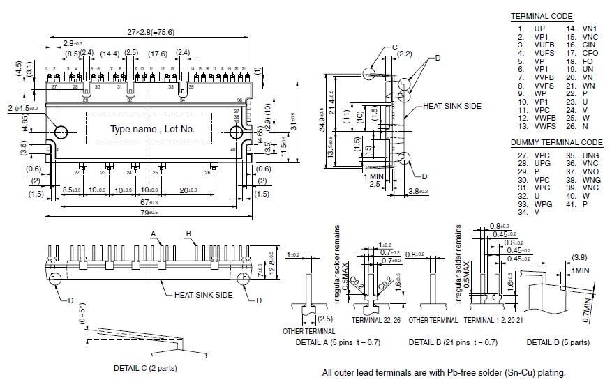
PS21869-AP absolute maximum ratings: (1)Supply voltage VCC: 450V; (2)Supply voltage (surge) VCC(surge): 500V; (3)Collector-emitter voltage VCES: 600V; (4)Each IGBT collector current ±IC: 50A; (5)Each IGBT collector current (peak) ±ICP: 100A; (6)Collector dissipation PC: 70.4W; (7)Junction temperature Tj: –20~+125℃.
Features
PS21869-AP features: (1)For upper-leg IGBTS :Drive circuit, High voltage isolated high-speed level shifting, Control supply under-voltage (UV) protection; (2)For lower-leg IGBTS : Drive circuit, Control supply under-voltage protection (UV), Short circuit protection (SC); (3)Fault signaling : Corresponding to an SC fault (Lower-leg IGBT) or a UV fault (Lower-side supply); (4)Input interface : 3, 5V line CMOS/TTL compatible. (High Active); (5)UL Approved : Yellow Card No. E80276.
Diagrams

![]() |
![]() PS21204 |
![]() Other |
![]() |
![]() Data Sheet |
![]() Negotiable |
|
||||
![]() |
![]() PS21205 |
![]() Other |
![]() |
![]() Data Sheet |
![]() Negotiable |
|
||||
![]() |
![]() PS21212 |
![]() Other |
![]() |
![]() Data Sheet |
![]() Negotiable |
|
||||
![]() |
![]() PS21244-E |
![]() Other |
![]() |
![]() Data Sheet |
![]() Negotiable |
|
||||
![]() |
![]() PS21244-EP |
![]() |
![]() MOD IPM 600V 15A DIP |
![]() Data Sheet |
![]() Negotiable |
|
||||
![]() |
![]() PS21245-E |
![]() Other |
![]() |
![]() Data Sheet |
![]() Negotiable |
|
||||
(China (Mainland))








