Product Summary
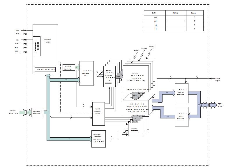
The MT48H8M16LFF4-8IT is a 128Mb Synchronous DRAM. It is a high-speed CMOS, dynamic random-access memory containing 134,217,728 bits. It is internally configured as a quad-bank DRAM with a syn-chronous interface (all signals are registered on the positive edge of the clock signal,CLK). Each of the x16’s 32,554,432-bit banks is organized as 4,096 rows by 512 columnsby 16 bits. The MT48H8M16LFF4-8IT is designed to operate in 1.8V, low-power memory systems. An autorefresh mode is provided, along with a power-saving, deep power-down mode. All inputsand outputs are LVTTL-compatible.
Parametrics
MT48H8M16LFF4-8IT absolute maximum ratings: (1)Voltage on VDD/VDDQ Supply: 2.8V; (2)Voltage on Inputs, NC or I/O Pins: -0.35 to +2.8V; (3)Operating Temperature-Extende:-25 to +85℃; (4)Operating Temperature-Industrial:-40 to +85℃; (5)Storage Temperature (plastic): -55 to +150℃.
Features
MT48H8M16LFF4-8IT features: (1)Temperature compensated self refresh (TCSR); (2)Fully synchronous; all signals registered on positiveedge of system clock; (3)Internal pipelined operation; column address canbe changed every clock cycle; (4)Internal banks for hiding row access/precharge; (5)Programmable burst lengths: 1, 2, 4, 8, or full page; (6)Auto precharge, includes concurrent autoprecharge, and auto refresh modes; (7)Self refresh mode; standard and low power; (8)64ms, 4,096-cycle refresh; (9)LVTTL-compatible inputs and outputs; (10) Low voltage power supply; (11)Partial array self refresh power-saving mode; (12)Deep power-down mode; (13)Programmable output drive strength.
Diagrams

(China (Mainland))






