Product Summary
The KM684000ALP-7L is a 128Kx8 bit Low Power CMOS Static RAM. The KM684000ALP-7L is fabricated by SAMSUNG’s advanced CMOS process technology. The device supports various operating temperature ranges and have various package types for user flexibility of system design. The KM684000ALP-7L also supports low data retention voltage for battery back-up operation with low data retention current.
Parametrics
KM684000ALP-7L absolute maximum ratings: (1)Voltage on any pin relative to Vss, VIN,VOUT: -0.5 to 7.0 V; (2)Voltage on Vcc supply relative to Vss, VCC: -0.5 to 7.0 V; (3)Power Dissipation, PD: 1.0 W; (4)Storage temperature, TSTG: -65 to 150℃; (5)Operating Temperature, TA: 0 to 70℃.
Features
KM684000ALP-7L features: (1)Process Technology: TFT; (2)Organization: 128Kx8; (3)Power Supply Voltage: 4.5~5.5V; (4)Low Data Retention Voltage: 2V(Min); (5)Three state output and TTL Compatible; (6)Package Type: 32-DIP-600, 32-SOP-525,32-TSOP1-0820F/R.
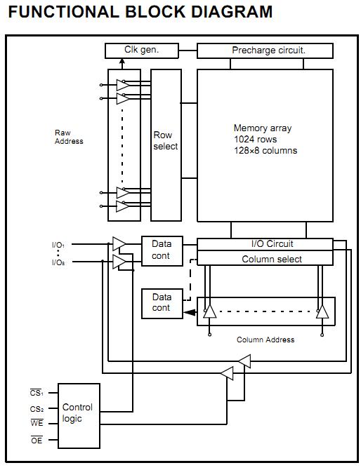
Diagrams

![]() |
![]() KM681000B |
![]() Other |
![]() |
![]() Data Sheet |
![]() Negotiable |
|
||||
![]() |
![]() KM681000BLG-7L |
![]() Other |
![]() |
![]() Data Sheet |
![]() Negotiable |
|
||||
![]() |
![]() KM681000C |
![]() Other |
![]() |
![]() Data Sheet |
![]() Negotiable |
|
||||
![]() |
![]() KM681000E |
![]() Other |
![]() |
![]() Data Sheet |
![]() Negotiable |
|
||||
![]() |
![]() KM681001A |
![]() Other |
![]() |
![]() Data Sheet |
![]() Negotiable |
|
||||
![]() |
![]() KM681001B |
![]() Other |
![]() |
![]() Data Sheet |
![]() Negotiable |
|
||||
(China (Mainland))








