Product Summary
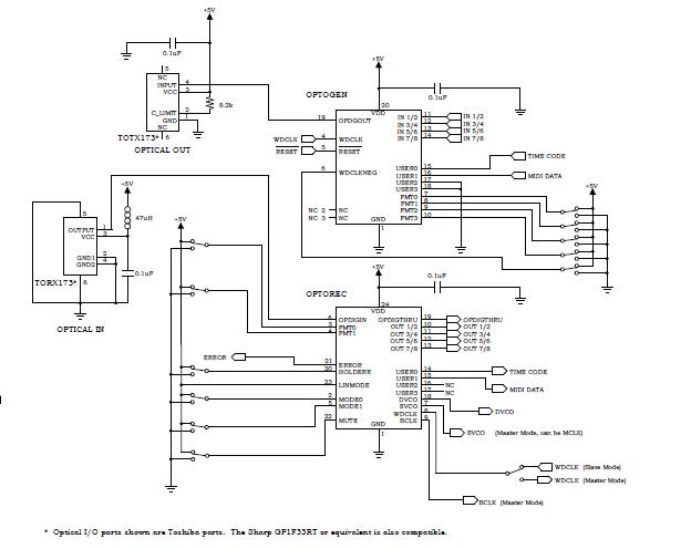
The AL1401AG OptoGen interface encodes four stereo pairs (8 channels) of digital audio and produces a single datastream suitable for transmission according to the industry-standard ADAT Optical protocol (U.S. patent number 5,297,181). With an internal PLL to generate all needed clock signals, the AL1401AG requires only wordclock (Fs) for proper operation. Applications include Digital Mixing Boards, signal Processors, Digital Effects Boxes, Digital Recorders, Computer Sound Boards and Sound Reinforcement Products.
Parametrics
AL1401AG Electrical Characteristics: (1)Supply Voltage:5.0V(Typ); (2)Supply Current: 1.5mA(Typ); (3)Ground: 0V(Typ); (4)Sample rate: 48kHz(Typ); (5)Temperature: 25℃(Typ).
Features
AL1401AG features: (1)Compatible with ADAT Type I and II formats; (2)4 stereo pairs as inputs using standard DAC formats; (3)4 user bit inputs to transmit time-code, MIDI data, etc.; (4)Internal PLL generates all required clocks from wordclock; (5)Lead Free – Complies with RoHS Directive.
Diagrams

(China (Mainland))






