Product Summary
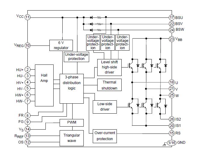
The TPD4122K is a DC brushless motor driver using high-voltage PWM control. It is fabricated using a high-voltage SOI process. The device contains PWM circuit, 3-phase decode circuit, level shift high-side driver, low-side driver, IGBT outputs, FRDs, over-current and under-voltage protection circuits, and a thermal shutdown circuit. It is easy to control a DC brush less motor by applying a signal from a motor controller and a Hall amp/ Hall IC to the TPD4122K.
Parametrics
TPD4122K absolute maximum ratings: (1)Output current: 1 A; (2)Output current (pulse): 2 A; (3)Input voltage (except VS): -0.5 to VREG + 0.5 V; (4)Input voltage (only VS): 8.2 V; (5)VREG current: 50 mA; (6)Power dissipation: 23 W; (7)Operating junction temperature: -40 to 135℃; (8)Junction temperature: 150℃; (9)Storage temperature: -55 to 150℃.
Features
TPD4122K features: (1)High voltage power side and low voltage signal side terminal are separated.; (2)Bootstrap circuits give simple high-side supply.; (3)Bootstrap diodes are built in.; (4)PWM and 3-phase decode circuit are built in.; (5)Outputs Rotation pulse signals.; (6)3-phase bridge output using IGBTs.; (7)FRDs are built in.; (8)Included over-current and under-voltage protection, and thermal shutdown.; (9)Package: 26-pin DIP.; (10)Compatible with Hall amp input and Hall IC input.
Diagrams

| Image | Part No | Mfg | Description | ![]() |
Pricing (USD) |
Quantity | ||||
|---|---|---|---|---|---|---|---|---|---|---|
![]() |
![]() TPD4122K(Q) |
![]() |
![]() IC SGL CHIP INV 500V 1A 26-DIP |
![]() Data Sheet |
![]() Negotiable |
|
||||
| Image | Part No | Mfg | Description | ![]() |
Pricing (USD) |
Quantity | ||||
![]() |
![]() TPD4005K |
![]() Other |
![]() |
![]() Data Sheet |
![]() Negotiable |
|
||||
![]() |
![]() TPD4008K |
![]() Other |
![]() |
![]() Data Sheet |
![]() Negotiable |
|
||||
![]() |
![]() TPD4011K |
![]() Other |
![]() |
![]() Data Sheet |
![]() Negotiable |
|
||||
![]() |
![]() TPD4102K |
![]() Other |
![]() |
![]() Data Sheet |
![]() Negotiable |
|
||||
![]() |
![]() TPD4104AK |
![]() Other |
![]() |
![]() Data Sheet |
![]() Negotiable |
|
||||
![]() |
![]() TPD4104AK(LB2,Q) |
![]() Toshiba |
![]() Motor / Motion / Ignition Controllers & Drivers Intelligent Power Module |
![]() Data Sheet |
![]() Negotiable |
|
||||
(China (Mainland))









