Product Summary
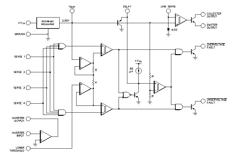
The SG1548J-883B is a quad power fault monitor integrated circuit capable of monitoring up to fourpositive DC supply voltages simultaneously for overvoltage andundervoltage fault conditions. An on-chip inverting op amp alsoallows monitoring one negative DC voltage.The fault tolerancewindow is accurately programmable from ±5% to ±40% using a simpledivider network on the 2.5V reference. A single external capacitor setsthe fault indication delay, eliminating false outputs due to switchingnoise, logic transition current spikes, and short-term AC line interrup-tions. An additional comparator referenced to 2.5V allows the AC lineto be monitored for undervoltage conditions or for generation of a lineclock.The comparator can also be used for programmableundervoltage lockout in a switching power supply.
Parametrics
SG1548J-883B absolute maximum ratings: (1)Supply Voltage: 40V; (2)Fault Output Collector Voltage: 40V; (3)Sense Input Voltage Range: -0.3V to 6.0V; (4)Fault Output Sink Current: 20mA; (5)Line Sense Input Current: ±1mA; (6)Inverting Op Amp Input Current: -5mA; (7)Inverting Op Amp Output Current: 25mA; (8)Storage Temperature Range: -65℃ to 150℃; (9)Lead Temperature: 300℃.
Features
SG1548J-883B features: (1)Monitors four DC voltages and the AC line; (2)Precision 2.5V ±1% low-drift reference; (3)Fault tolerance adjustable from ±5% to ±40%; (4)±3% trip threshold tolerance over temperature; (5)Separate 10mA, 40V overvoltage, undervoltageand AC line fault outputs; (6)Fault delay programmable with a single capacitor; (7)30mV comparator hysteresis to prevent oscilla-tions; (8)On-chip inverting op amp for negative voltage; (9)Open-collector output logic or expandability; (10)Operation from 4.5V to 40V supply.
Diagrams

(China (Mainland))






