Product Summary
The MD87C51B is a CHMOS single-chip 8-bit microcontroller with 4 Kbytes of EPROM program memoery. The device is fabricated on internal’CHMOS II-E process. The MD87C51B contaions 4 Kbytes o on-chip program memory that can be electrically programmed, and can be erased by exposure to ultraviolet light. The MD87C51B uses a modified quick-pulse programming algorithm, by which the entire 4 Kbyte array can be programmed in about 12 seconds.
Parametrics
MD87C51B absolute maximum ratings: (1)case temperature under bias: -55 to 125℃; (2)storage temperature: -65 to 150℃; (3)voltage on EA/VPP pin to VSS: 0 to 13.0V; (4)voltage on any other pin to VSS: -0.5 to 6.5V; (5)power dissipation: 1.5W.
Features
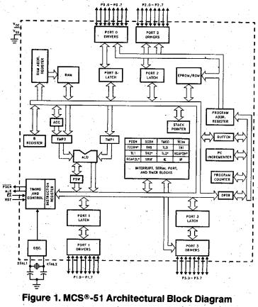
MD87C51B features: (1)high performance CHMOS EPROM; (2)quick-pulse programming algorithm; (3)2-level program memory lock; (4)boolean processor; (5)128-byte data RAM; (6)32 programmable I/O lines; (7)two 16-bit timer/counters; (8)5 interrupt sources; (9)available in 40-pin CERDIP, 44-pin leadless chip carrier, 44-pin gull-wing and 44-pin J-lead packages; (10)programmable serial channel; (11)TTL- and CMOS-compatible logic levels; (12)64K external program memory space; (13)64K external data memory space; (14)IDLE and power down modes; (15)once mode facilitates system testing; (16)military temperature range: -55 to 125℃.
Diagrams

(China (Mainland))






