Product Summary
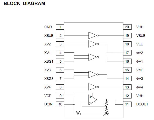
The KS7221D-TF is a Vertical CCD Driver LSI which is fabricated by CMOS process for high voltage.
Parametrics
KS7221D-TF absolute maximum ratings: (1)VEE: 0 ~ -10V; (2)Supply Voltage VHH: -0.3 ~ VEE +35V; (3)VME VEE: -0.3 ~ 3.0 VV; (4)VI: -0.3 ~ VHH +0.3V; (5)VCP: -0.3 ~ VEE+35V; (6)Output Voltage FV1, FV2, FV3, FV4, FVsub VEE: -0.3 ~ VHH +0.3V; (7)OP-Amp output Current IOUT: ±5 mA; (8)Operating Temperature TOPR: -25 ~ +85℃; (9)Storage Temperature TSTG: -45 ~ +120℃.
Features
KS7221D-TF features: (1)Include voltage source circuit for CCD image sensor; (2)Input voltage: 5V / 3.3V; (3)Package: 20 SSOP.
Diagrams

![]() |
![]() KS7221D |
![]() Other |
![]() |
![]() Data Sheet |
![]() Negotiable |
|
||||
![]() |
![]() KS7214 |
![]() Other |
![]() |
![]() Data Sheet |
![]() Negotiable |
|
||||
![]() |
![]() KS7212 |
![]() Other |
![]() |
![]() Data Sheet |
![]() Negotiable |
|
||||
(China (Mainland))








