Product Summary
The KH29LV320CBTC-70G is a 32-mega bit Flash memory organized as 4M butes of 8 bits and 2M words of 16 bits. MXIC Flash memories offer the most cost-effective and reliable read/write non-volatile random access memory. KH29LV320CBTC-70G is packaged in 48-pin TSOP. It is designed to be reprogrammed and erased in system or in standard EPROM programmers.
Parametrics
KH29LV320CBTC-70G absolute maximum ratings: (1)Storage temperature, plastic packages: -65 to 150℃ ; (2)Ambient temperature with power applied: -65 to 125℃; (3)Voltage with respect to Ground, Vcc: -0.5 to 4.0V; (4)A9, OE, and RESET: -0.5 to 12.5V; (5)All other pins: -0.5 to Vcc+0.5V; (6)Output short circuit current: 200mA.
Features
KH29LV320CBTC-70G features: (1)4,194×8/2,097,152×16 switchable; (2)Sector structure; (3)Extra 64K-byte sector for security; (4)Twenty-four sector groups; (5)Single power supply operation; (6)Latch-up protected to 250mA from -1V to Vcc+1V; (7)Low Vcc write inhibit is equal to or less than 1.4V; (8)Compatible with JEDEC standard; (9)Low power consumption; (10)Minimum 100.000 erase/program cycle; (11)10 years data retention.
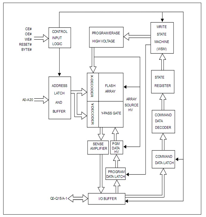
Diagrams

(China (Mainland))






