Product Summary
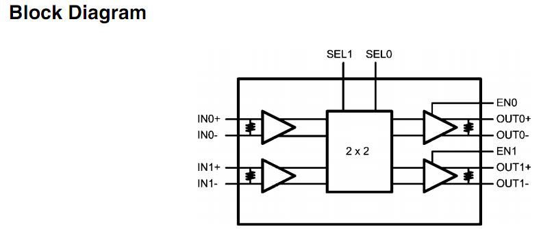
The DS10CP152TMA is a 1.5 Gbps LVDS crosspoint switch optimized for high-speed signal routing and switching over lossy FR-4 printed circuit board backplanes and balanced cables. Fully differential signal paths ensure exceptional signal integrity and noise immunity. The non-blocking architecture allows connections of any input to any output or outputs. The applications of the DS10CP152TMA are High-speed channel select applications, Clock and data buffering and muxing and SD/HD SDI Routers.
Parametrics
DS10CP152TMA absolute maximum ratings: (1)Supply Voltage: -0.3V to +4V; (2)LVCMOS Input Voltage: -0.3V to (VCC + 0.3V); (3)LVDS Input Voltage: -0.3V to +4V; (4)LVDS Differential Input Voltage: 0V to 1V; (5)LVDS Output Voltage: -0.3V to (VCC + 0.3V); (6)LVDS Differential Output Voltage: 0V to 1V; (7)Junction Temperature: +150℃; (8)Storage Temperature Range: -65 to +150℃; (9)Lead Temperature Range Soldering (4 sec.): +260℃; (10)Maximum Package Power Dissipation at 25℃: 1.72W.
Features
DS10CP152TMA features: (1)DC - 1.5 Gbps low jitter, low skew, low power operation; (2)Pin configurable, fully differential, non-blocking architecture; (3)Wide Input Common Mode Voltage Range allows DC-coupled interface to LVDS, CML and LVPECL drivers; (4)On-chip 100Ω input and output termination minimizes insertion and return losses, reduces component count and minimizes board space; (5)7 kV ESD on LVDS I/O pins protects adjoining components; (6)Small SOIC-16 space saving package.
Diagrams

| Image | Part No | Mfg | Description | ![]() |
Pricing (USD) |
Quantity | ||||||||||||
|---|---|---|---|---|---|---|---|---|---|---|---|---|---|---|---|---|---|---|
![]() |
![]() DS10CP152TMA/NOPB |
![]() National Semiconductor (TI) |
![]() Analog & Digital Crosspoint ICs |
![]() Data Sheet |
![]()
|
|
||||||||||||
![]() |
![]() DS10CP152TMAX/NOPB |
![]() National Semiconductor (TI) |
![]() Analog & Digital Crosspoint ICs |
![]() Data Sheet |
![]()
|
|
||||||||||||
(China (Mainland))









