Product Summary
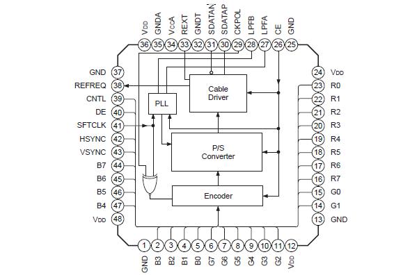
The CXB1455R-T4 is a transmitter which transmits the 24-bit VGA/SVGA/XGA definition moving picture based on the GVIF (Gigabit Video Interface) technology. Applications includes Gigabit video interface.
Parametrics
CXB1455R-T4 absolute maximum ratings: (1)Power supply: 4.2 V; (2)Operating temperature: 0 to +85℃; (3)Storage temperature:–65 to +150℃; (4)Allowable power dissipation: 333 mW.
Features
CXB1455R-T4 features: (1)1 chip transmitter for serial transmission of 24-bit color VGA/SVGA/XGA picture; (2)On-chip PLL synthesizer; (3)On-chip differential cable driver; (4)TL/CMOS compatible interface; (5)Supports 1 pixel/shift clock mode with 1 chip and 2 pixel/shift clock mode with 2 chips; (6)Single 3.3V power supply; (7)Low power consumption; (8)48-pin plastic QFP package (7mm×7mm).
Diagrams

(China (Mainland))






