Product Summary
The AD632BH is an internally trimmed precision IC multiplier. The AD632BH is an internally-trimmed monolithic four-quadrant multiplier/divider. The AD632BHB has a maximum multiplying error of ±0.5% without external trims. Excellent supply rejection, low temperature coefficients and long term stability of the on-chip thin film resistors and buried zener reference preserve accuracy even under adverse conditions. The simplicity and flexibility of use provide an attractive alternative approach to the solution of complex control functions.
Parametrics
AD632BH absolute maximum ratings: (1)CMRR: 80dB; (2)Bias Current: 2.0mA; (3)Offset Current: 0.1mA; (4)Differential: 0.5%; (5)Scale Factor Error: ±0.1%; (6)Scaling-Voltage: ±0.2 60.005 %/℃; (7)Supply Rejection (±15 V ± 1 V): ±0.010.5%; (8)Supply Voltage Rated Performance: ±15V; (9)Operating Supply Current: ±8 618V; (10)Quiescent: 4 to 6mA.
Features
AD632BH features: (1)Pretrimmed to ±0.5% Max 4-Quadrant Error; (2)All Inputs (X, Y and Z) Differential, High Impedance for [(X1–X2)(Y1–Y2)/10] + Z2 Transfer Function; (3)Scale-Factor Adjustable to Provide up to X10 Gain; (4)Low Noise Design: 90 mV rms, 10 Hz–10 kHz; (5)Low Cost, Monolithic Construction; (6)Excellent Long-Term Stability.
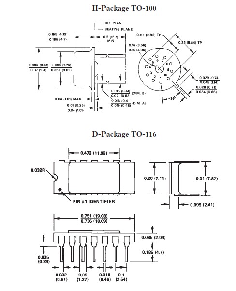
Diagrams

| Image | Part No | Mfg | Description | ![]() |
Pricing (USD) |
Quantity | ||||||
|---|---|---|---|---|---|---|---|---|---|---|---|---|
![]() |
![]() AD632BH |
![]() Analog Devices Inc |
![]() IC PREC MULTIPLIER MONO TO100-10 |
![]() Data Sheet |
![]() Negotiable |
|
||||||
![]() |
![]() AD632BHZ |
![]() |
![]() IC MULTIPLIER TRIMMED TO100-10 |
![]() Data Sheet |
![]()
|
|
||||||
(China (Mainland))










