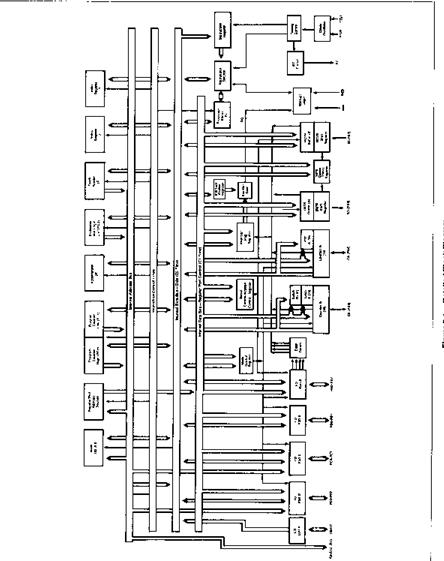
Product Summary
The R6501AQ is a complete, high performance 8-bit one-chip microprocessor. The R6501AQ consists of an enhanced 6502 CPU, and internal clock oscllator, 192 bytes of RAM, and versatile interface circuity. The innovative architecture and the demonstrated high performance of the R6501AQ CPU, as well as instruction simplacity, results in system cost-effectiveness and a wide range of computallonal power.
Features
R6501AQ features: (1)192-byte static RAM; (2)32 bidirentional, TTL-compatible I/O lines; (3)two 16-bit programmable counter with latches; (4)single +5V power supply; (5)12mW stand-by power for 32 bytes of the 192-byte RAM.
Diagrams

(China (Mainland))






