Product Summary
The OP77AZ883 is a precision Operational Amplifier. The OP77AZ883’s outstanding fgain of 10,000,000 or more is maintained over the full ±10V outpput range. This exceptional gain-linearity eliminates incorrectable system nonlinearities common in previous monolithic op amps, and provides superior performance in high closed-loop-gain applications. low initial VOS drift and rapid stabilization time, combined with only 50mW power consumption, are significant improvements over previous designs.
Parametrics
OP77AZ883 absolute maximum ratings: (1)supply voltage: ±22V; (2)differential input voltage: ±30V; (3)input voltage: ±22V; (4)output short-circuit duration: indefinite; (5)storage temperature range: J, Z and RC packages: -65 to 150 ℃, P package: -65 to 125 ℃; (6)operating temperature range: OP-77A, OP-77B: -55 to 125 ℃.
Features
OP77AZ883 features: (1)outstanding gain linearity; (2)ultra high gain: 5000V/mV min; (3)low VOS over temperature: 60μV max; (4)excellent TCVOS: 0.3μV/℃ max; (5)high PSRR: 3μV/V max; (6)low power consumption: 60mW max; (7)fits OP-07, 725, 108A/308A, 741 sockets; (8)available in die form.
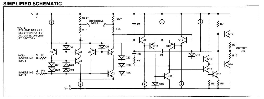
Diagrams

![]() |
![]() OP77 |
![]() Other |
![]() |
![]() Data Sheet |
![]() Negotiable |
|
||||||||||||
![]() |
![]() OP770A |
![]() Optek |
![]() Photodetector Transistors Photo Transistor |
![]() Data Sheet |
![]()
|
|
||||||||||||
![]() |
![]() OP770B |
![]() Optek |
![]() Photodetector Transistors Photo Transistor |
![]() Data Sheet |
![]()
|
|
||||||||||||
![]() |
![]() OP770C |
![]() Optek |
![]() Photodetector Transistors Photo Transistor |
![]() Data Sheet |
![]()
|
|
||||||||||||
![]() |
![]() OP770D |
![]() Optek |
![]() Photodetector Transistors Photo Transistor |
![]() Data Sheet |
![]()
|
|
||||||||||||
![]() |
![]() OP775A |
![]() Optek |
![]() Photodetector Transistors Photo Transistor |
![]() Data Sheet |
![]()
|
|
||||||||||||
(China (Mainland))








