Product Summary
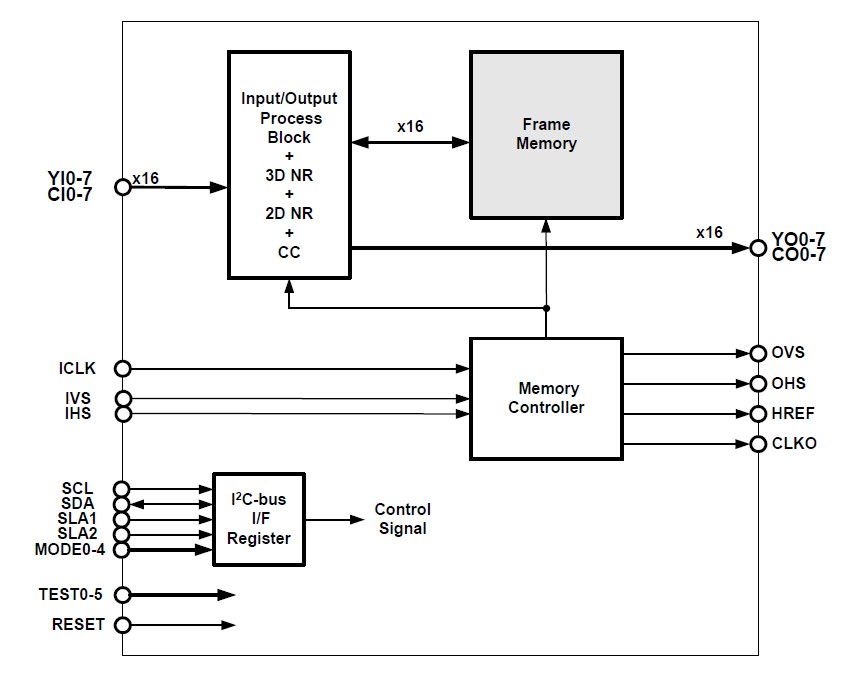
The ML87V2107TB is a OKI semiconductor. It is a video signal noise reduction IC with a built-in frame memory. The ML87V2107TB which comprises a frame memory and signal processing and memory control logic circuits, has achieved motion-adaptive 3D noise reduction. To perform noise reduction with afterimage suppression, the ML87V2107TB also enables noise reduction using the edge-adaptive 2D noise reduction filter. Each noise reduction function allows setting an automatic mode. In automatic mode of the ML87V2107TB, noise of a vertical blanking period and a valid data period is detected to reduce noise according to the noise status from which the noise reduction setting value is detected.
Parametrics
ML87V2107TB absolute maximum ratings: (1)Power supply voltage VDD Ta = 25℃: –0.5 to +4.6 V; (2)Input pin voltage VI Ta = 25℃: –0.5 to VDD + 0.5 ≤ 4.6 V; (3)Output pin short-circuit current IOS Ta = 25℃: 50 mA; (4)Power dissipation PD Ta = 25℃: 1 W; (5)Operating temperature Topr: 0 to 70 ℃; (6)Storage temperature Tstg: –50 to +150 ℃.
Features
ML87V2107TB features: (1)Serial bus: I2C-bus interface: (400 kHz, 100 kHz); (2)Memory controller: Compatible with 625/50Hz 2:1(625i), 525/60Hz 2:1(525i), 625/50Hz 1:1(625p), and 525/60Hz 1:1(525p); (3)Motion-adaptive 3D noise reduction: Frame-field-line-correlation noise detection and noise subtraction method Supports automatic noise reduction setting; (4)Edge-adaptive 2D noise reduction: Edge-adaptive space filter used ; (5)Chrominance signal cross color cancelling: Motion-adaptive 3D comb filter used Compatible with 525i (NTSC decode signal)/625i (PAL decode signal).
Diagrams

| Image | Part No | Mfg | Description | ![]() |
Pricing (USD) |
Quantity | ||||
|---|---|---|---|---|---|---|---|---|---|---|
![]() |
![]() ML87V2107TBZ03A-7 |
![]() Oki Semiconductor |
![]() Video ICs Noice Reduction FIFO w/frame synchronizer |
![]() Data Sheet |
![]() Negotiable |
|
||||
| Image | Part No | Mfg | Description | ![]() |
Pricing (USD) |
Quantity | ||||
![]() |
![]() ML87V2103 |
![]() Other |
![]() |
![]() Data Sheet |
![]() Negotiable |
|
||||
![]() |
![]() ML87V2104 |
![]() Other |
![]() |
![]() Data Sheet |
![]() Negotiable |
|
||||
![]() |
![]() ML87V2105 |
![]() Other |
![]() |
![]() Data Sheet |
![]() Negotiable |
|
||||
![]() |
![]() ML87V21071TBZ03A-7 |
![]() Oki Semiconductor |
![]() Video ICs Noice Reduction FIFO w/cross color cancel |
![]() Data Sheet |
![]() Negotiable |
|
||||
![]() |
![]() ML87V2107TBZ03A-7 |
![]() Oki Semiconductor |
![]() Video ICs Noice Reduction FIFO w/frame synchronizer |
![]() Data Sheet |
![]() Negotiable |
|
||||
![]() |
![]() ML87V3104 |
![]() Other |
![]() |
![]() Data Sheet |
![]() Negotiable |
|
||||
(China (Mainland))









