Product Summary
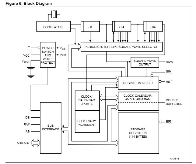
The M48T86PC1 is an industry standard Real Time Clock (RTC). The M48T86PC1 is composed of a lithium energy source, quartz crystal, write protection circuitry, and a 128-byte RAM array. This provides the user with a complete subsystem packaged in either a 24-pin DIP CAPHAT or 28-pin SNAPHAT SOIC. Functions available to the user include a non-volatile time-of-day clock, alarm interrupts, a one-hundred-year clock with programmable interrupts, square wave output, and 128 bytes of non-volatile static RAM.
Parametrics
M48T86PC1 absolute maximum ratings: (1)TA, Ambient Operating Temperature: 0 to 70℃; (2)TSTG, Storage Temperature (VCC Off, Oscillator Off): –40 to 85℃; (3)TSLD, Lead Solder Temperature for 10 seconds: 260℃; (4)VIO, Input or Output Voltages: –0.3 to 7.0 V; (5)VCC, Supply Voltage: –0.3 to 7.0 V; (6)PD, Power Dissipation: 1 W.
Features
M48T86PC1 features: (1)drop-in replacement for PC computer clock/calendar; (2)counts seconds, minutes, hours, days, day of the week, date, month, and year with leap year compensation; (3)interfaced with software as 128 ram locations: 14 Bytes of clock and control registers; 114 Bytes of general purpose RAM; (4)selectable bus timing (intel/motorola); (5)three interrupts are separately software-maskable and testable: time-of-day alarm (once/second to once/day); periodic rates from 122μs to 500ms; end-of-clock update cycle; (6)programmable square wave output; (7)10 years of data retention and clock operation in the absence of power; (8)self-contained battery and crystal in the caphat DIP package; (9)packaging includes a 28-lead SOIC and snaphat TOP (to be ordered separately); (10)SOIC package provides direct connection for a snaphat top contains the battery and crystal; (11)pin and function compatible with bq3285/7A and DS12887.
Diagrams

| Image | Part No | Mfg | Description | ![]() |
Pricing (USD) |
Quantity | ||||||||||||
|---|---|---|---|---|---|---|---|---|---|---|---|---|---|---|---|---|---|---|
![]() |
![]() M48T86PC1 |
![]() STMicroelectronics |
![]() Real Time Clock 5 Volt PC Drop-In |
![]() Data Sheet |
![]() Negotiable |
|
||||||||||||
| Image | Part No | Mfg | Description | ![]() |
Pricing (USD) |
Quantity | ||||||||||||
![]() |
![]() M48T02 |
![]() Other |
![]() |
![]() Data Sheet |
![]() Negotiable |
|
||||||||||||
![]() |
![]() M48T02-150PC1 |
![]() STMicroelectronics |
![]() Real Time Clock 16K (2Kx8) 150ns |
![]() Data Sheet |
![]()
|
|
||||||||||||
![]() |
![]() M48T02-200PC1 |
![]() STMicroelectronics |
![]() Real Time Clock 16K (2Kx8) 200ns |
![]() Data Sheet |
![]() Negotiable |
|
||||||||||||
![]() |
![]() M48T02-70PC1 |
![]() STMicroelectronics |
![]() Real Time Clock 16K (2Kx8) 70ns |
![]() Data Sheet |
![]()
|
|
||||||||||||
![]() |
![]() M48T08 |
![]() Other |
![]() |
![]() Data Sheet |
![]() Negotiable |
|
||||||||||||
![]() |
![]() M48T08-100PC1 |
![]() STMicroelectronics |
![]() Real Time Clock 64K (8Kx8) 100ns |
![]() Data Sheet |
![]()
|
|
||||||||||||
(China (Mainland))










