Product Summary
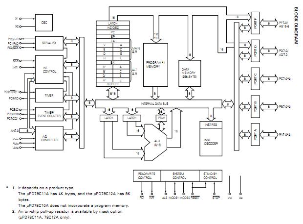
The D78C10ACW is a CMOS 8-bit microprocessor which can integrate 16-bit ALU, ROM, RAM, an A/D converter, a multi-function timer/event counter, and a general-purpose serial interface into a single chip, then expand the memory (ROM/RAM) up to 60K bytes externally. The D78C10ACW is operated at low power consumption, because it has a CMOS construction. Also, it can hold data with low power consumption by using standby function. The D78C10ACW is ideal for evaluation or preproduction use during system development, early start-up and short-run multiple-device production of application sets, are available.
Parametrics
D78C10ACW absolute maximum ratings: (1)Power supply voltage, VDD: –0.5 to +7.0 V; AVDD: AVSS to VDD +0.5 V; AVSS: –0.5 to +0.5 V; (2)Input voltage VI: –0.5 to VDD +0.5 V; (3)Output voltage VO :–0.5 to VDD +0.5 V; (4)Output current low: 100 mA; (5)Output current high: –50 mA; (6)Operating ambient temperature TA: –40 to +85℃; (7)Storage temperature Tstg: –65 to +150℃.
Features
D78C10ACW features: (1)Abundant 159 types of instructions: 87AD series instruction set, multiplication/division instructions,16-bit operation instructions; (2)Instruction cycle : 0.8 μs (at 15 MHz operation); (3)On-chip ROM : 4096W × 8 (μPD78C11A), 8192W × 8 (μPD78C12A) Non (μPD78C10A); (4)On-chip RAM : 256W × 8; (5)High-precision 8-bit A/D converter : 8 analog inputs; (6)General-purpose serial interface : Asynchronous, synchronous, I/O interface mode; (7)Multi-function 16-bit timer/event counter; (8)Two 8-bit timers; (9)I/O lines : 32 (μPD78C10A), 44 (μPD78C11A, 78C12A); (10)Interrupt function (external - 3, internal - 8) : Non-maskable interrupt × 1, maskable interrupt × 10; (11)Standby function : HALT mode, hardware/software STOP mode; (12)Zero-cross detection function : (2 inputs); (13)On-chip pull-up resistor (port A, B, C: μPD78C11A, 78C12A only) by mask option.
Diagrams

![]() |
![]() D78C |
![]() Other |
![]() |
![]() Data Sheet |
![]() Negotiable |
|
||||
![]() |
![]() D78C10AGQ |
![]() Other |
![]() |
![]() Data Sheet |
![]() Negotiable |
|
||||
(China (Mainland))








