Product Summary
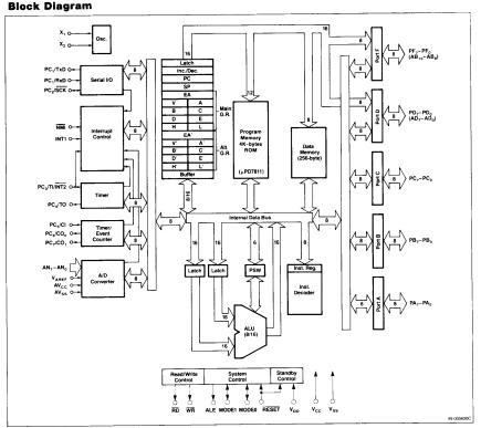
The D7810AGQ is a single-chip microcomputer. It integrates sophisticated on-chip peripheral functionality normally provided by external componets. The D7810AGQ is the mask-ROM high vulume production device embedded with custom customer program.
Parametrics
D7810AGQ absolute maximum ratings: (1)power supply voltages, VCC: -0.5 to 7.0V; VDD: -0.5 to 7.0V; AVCC: -0.5 to 7.0V; AVSS: -0.5 to 0.5V; (2)input voltage, VI: -0.5 to 7.0V; (3)output voltage, VO: -0.5 to 7.0V; (4)reference input voltage, VAREF: -0.5 to VCC; (5)oprtating temperature, TOPR: -10 to 70℃; (6)tXTAL≤10MHz: -40 to 85℃; (7)storage temperature, Tstg: -65 to 150℃.
Features
D7810AGQ features: (1)NMOS silicon gate technology requiring +5V power supply; (2)complete single-chip microcomputer; (3)44 I/O lines; (4)two zero-cross detect inputs; (5)two 8-bit timers; (6)expansion capabilities; (7)8-channel, 8-bit A/D converter; (8)full duplex USART; (9)153 instructions; (10)standby function; (11)on-chip clock generator; (12)64-pin plastic QUIP or shrink DIP.
Diagrams

![]() |
![]() D7814 |
![]() Other |
![]() |
![]() Data Sheet |
![]() Negotiable |
|
||||
(China (Mainland))








