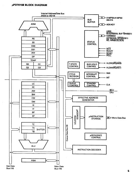
Product Summary
The D70108C-8 is a CMOS 16 bit microprocessor. It has a 16-bit arachitecture and is equipped with a 8-bit data bus. The D70108C-8 ha s powerful instruction set which includes bit processing and packed BCD operation and high speed multiplication/division insturctions, etc and contains an 8080 emilation function.
Parametrics
D70108C-8 absolute maximum ratings: (1)memory addressing space: 1M bytes; (2)minimum instruction execution time; (3)high speed multiplicaiton/division instruction; (4)high-speed block tranfer instruction.
Features
D70108C-8 features: (1)memory addressing space: 1M bytes; (2)minimum instruction execution time; (3)high speed multiplicaiton/division instruction; (4)high-speed block tranfer instruction.
Diagrams

(China (Mainland))






