Product Summary
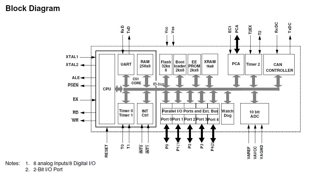
The AT89C51CC01CA-UM is the first member of the CANaryTM family of 8-bit microcontroller dedicated to CAN network applications. In X2 mode a maximum external clock rate of 20 MHz reaches a 300 ns cycle time. Besides the full CAN controller AT89C51CC01CA-UM provides 32K Bytes of Flash memory including In-System-Programming (ISP), 2K Bytes Boot Flash Memory, 2K Bytes EEPROM and 1.2-Kbyte RAM.
Parametrics
AT89C51CC01CA-UM absolute maximum ratings: (1)I = industrial: -40℃ to 85℃; (2)Storage Temperature: -65℃ to + 150℃; (3)Voltage on VCC from VSS: -0.5V to + 6V; (4)Voltage on Any Pin from VSS: -0.5V to VCC + 0.2 V; (5)Power Dissipation: 1 W.
Features
AT89C51CC01CA-UM features: (1)Boot Code Section with Independent Lock Bits; (2)2K Bytes of On-chip Flash for Bootloader; (3)In-System Programming by On-Chip Boot Program (CAN, UART) and IAP Capability; (4)2K Bytes of On-chip EEPROM Erase/Write Cycle: 100K; (5)14-sources 4-level Interrupts; (6)Three 16-bit Timers/Counters; (7)Full Duplex UART Compatible 80C51; (8)Maximum Crystal Frequency 40 MHz, in X2 Mode, 20 MHz (CPU Core, 20 MHz); (9)Five Ports: 32 + 2 Digital I/O Lines.
Diagrams

![]() |
![]() AT8934 |
![]() TE Connectivity |
![]() General Purpose / Industrial Relays SEALED R RELAY |
![]() Data Sheet |
![]()
|
|
||||||
![]() |
![]() AT8985P |
![]() Other |
![]() |
![]() Data Sheet |
![]() Negotiable |
|
||||||
![]() |
![]() AT8989UP |
![]() Other |
![]() |
![]() Data Sheet |
![]() Negotiable |
|
||||||
![]() |
![]() AT8992-A2-T-1 |
![]() |
![]() IC SWITCH PHY 64-TQFP |
![]() Data Sheet |
![]() Negotiable |
|
||||||
![]() |
![]() AT8992M-A2-T-1 |
![]() |
![]() IC SWITCH PHY 100-MQFP |
![]() Data Sheet |
![]() Negotiable |
|
||||||
![]() |
![]() AT8993-A2-T-1 |
![]() |
![]() IC SWITCH PHY 100-MQFP |
![]() Data Sheet |
![]() Negotiable |
|
||||||
(China (Mainland))








